The basic operating principle involved in all capacitive pressure sensors is the measurement of change in capacitance resulting from the movement of an elastic element. The elastic element in most designs is an Inconel, Ni-Span C, or stainless-steel diaphragm or a metal-coated quartz element exposed to the process pressure on one side and to the reference pressure on the other. Depending on the reference pressure used, the unit can detect absolute, gauge, or differential pressures.

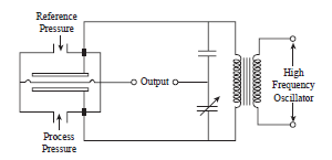
The above figure shows one is two capacitor plates, while the other has only one such plate. A high voltage, a high-frequency oscillator is used to energize the sensing element. Changes in process pressure deflect the diaphragm, and a bridge circuit detects the resultant change in capacitance.
The two-plate design can be operated in balanced or unbalanced modes. If the circuit is operated in the balanced mode, the output voltage is fed to a null detector, and the capacitor arms are varied to maintain the bridge at null. In this mode, the null setting itself is a measure of process pressure. If the circuit operates in an unbalanced mode, the ratios between the output voltage and excitation voltage are the indication of process pressure.

In the single-capacitor design, the plate is positioned on one side of the sensing diaphragm. The capacitance of the element, being a function of diaphragm deflection, is a measure of process pressure. The element’s capacitance is converted and amplified into a DC mA current signal. If desired, direct
Capacitance pressure transducers were originally designed to meet the needs of low vacuum researchers. Today they are second only to the strain gauges in popularity. They are frequently used as secondary standards, particularly on low absolute and low differential pressure applications. Their advantages include good accuracy, rangeability, linearity, and speed of response.
Their limitations of temperature sensitivity short lead from the sensor, high output impedance, sensitivity to stray capacitance, sensitivity to vibration, low overpressure capability, and corrosion sensitivity have all been reduced in the newer designs. The single-sided electrode designs are now suited to corrosive gas services, and for high-precision applications, temperature-controlled sensors are available.
List of Prominent Suppliers: Aeco, Autonics, Autosen, Baumer, Carlo Gavazzi, Comus International, DOL Sensor, EATON, Fargo Controls, FIAMA, ifm, Jiucheng Sensor, Locon, Micro-Epsilon, Paras, Pepperl Fuchs, Proximon, Rockwell Automation, RS Components, Saitech Controls, Sensata, Setra, Sick, Telemecanique, Thyracont