When a pneumatic actuator requires air pressure applied to two different ports to move in two different directions (such as in the case of cylinders lacking a return spring), the solenoid valve supplying air to that actuator must have four ports: one for air supply (P), one for exhaust (E), and two for the cylinder ports (typically labeled A and B). The following diagram shows a 4-way solenoid valve connected to the piston actuator of a larger (process) ball valve:

The same diagram could be drawn using the “triangle” solenoid valve symbols rather than the “block” symbols more common in fluid power diagrams:

Here, the letters “D” and “E” specify which directions air is allowed to flow when the solenoid is de-energized and energized, respectively.
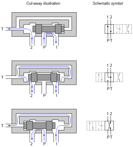
An interior view of a standard spool-type 4-way valve of the kind commonly used for directional hydraulic controls is shown here, along with its accompanying schematic symbol:

Note that the actuator (e.g. hand lever, solenoid armature, etc.) has been omitted from this illustration for simplicity. Only the spool and valve body are shown.
A variation on this theme uses a shorter spool allowing the two control ports to freely pass fluid in the “normal” position:

Such a 4-way valve is useful for applications where the final control element (motor, cylinder) must be free to move rather than be locked in place with the valve in the middle position.
If no center “off” position is needed, the lands may be shortened in such a way that they cannot fully cover the “P,” “1,” and “2” ports simultaneously, making the valve useful only in its two extreme positions:

Not all 4-way valves use the spool-type design. However, the spool valve enjoys the advantage of having pressure balance on its one moving part. If you examine these cut-away illustrations closely, you will see that the two lands present equal surface areas to the two pressures (pump and tank, “P” and “T”) in perfect vertical symmetry, such that any forces acting on the two lands from fluid pressure do so in opposite directions. This means there will be no net hydraulic force acting on the spool to interfere with its positioning, thus making it very easy to position by a hand lever, solenoid, piston, etc.
A photograph of a Parker brand 4-way pneumatic solenoid valve appears here:

This solenoid valve is spring-cantered, with one solenoid coil at each end to provide actuation in two different directions. The middle position is one where all ports are blocked, providing a “locked” control position for the pneumatic actuating element fed air by this solenoid valve.